Bộ lọc khí chân không ZFB100-06
- Hãng sản xuất: SMC
- Mã sản phẩm: ZFB100-06
- Tình trạng: Còn hàng
-
100.000đ
Customer support
- Zalo 1: 0335.101.864
- Zalo 2: 0335.121.874
- ADDRESS: P. VÕ CƯỜNG, TỈNH BẮC NINH (Đ/C CŨ LÀ: P. ĐẠI PHÚC, TP. BẮC NINH, BẮC NINH)
- 2. Vui lòng liên hệ với admin để xác nhận giá, số lượng hàng tồn.
Working time 24/7
How to buy
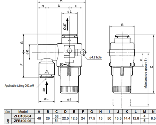
Mã sản phẩm: ZFB100-06
Thông số chính
Kích thước lọc (độ chính xác lọc): 30 µm.
Lưu lượng khuyến nghị: 20 L/min (ANR).
Dải áp suất hoạt động: -100kPa - 0kPa
Áp suất vận hành tối đa: 0.5 MPa (trong chế độ ứng dụng “âm” (vacuum) – tức ở điều kiện hút khí).
Dải nhiệt độ hoạt động và môi trường: từ 0 °C đến +60 °C.
Vật liệu ống thích hợp: Nylon / Soft Nylon / Polyurethane.
Đây là loại lọc hút khí (vacuum suction filter) — sử dụng cho khí (air) hoặc nitơ (nitrogen) trong điều kiện âm áp, không dùng cho dòng khí được giữ áp suất lớn.
Cần tránh môi trường có hóa chất ăn mòn trực tiếp (ví dụ: alcohol, acetone, etc) vì có thể làm hỏng thân bộ lọc.
Khi thay phần lọc bên trong, cần giảm áp xuống áp suất khí quyển trước khi tháo.

